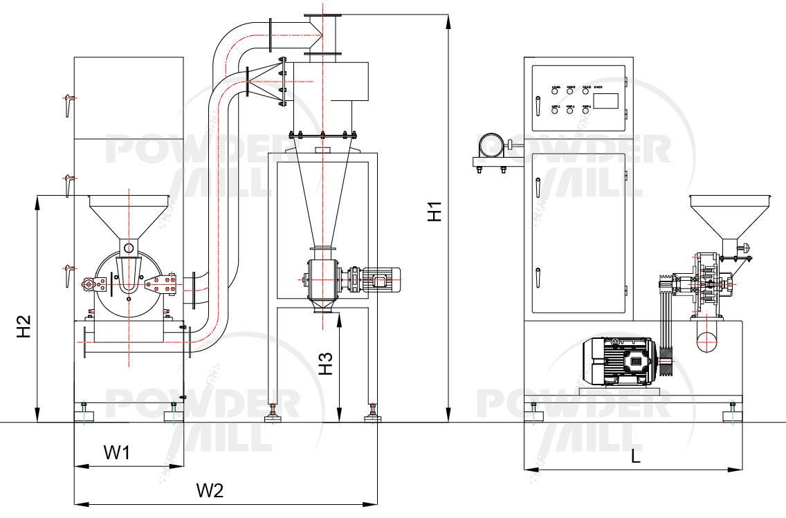
MR系列旋风脉冲吸尘粉碎机组(连体式)具有技术性能稳定、产量高、外观美观,适用范围广等特点。旋风脉冲吸尘粉碎机有主机、辅机、集管道、电控器定量加料装置为一组。
* 生产能力:20-400kg/h
* 进料粒度:<10mm
* 出料目数:20-120目
MR系列旋风脉冲吸尘粉碎机组(连体式)具有技术性能稳定、产量高、外观美观,适用范围广等特点。旋风脉冲吸尘粉碎机对粉碎干燥纤维物料具有较理想的效果,与国内其它机型相比,制品湿度低,粒度均匀,特别适用于砂糖、塑料粉末、中药等热敏性物料的粉碎。
旋风脉冲吸尘粉碎机有主机、辅机、集管道、电控器定量加料装置为一组。辅机有旋风和脉冲式除尘器,主机内装有离心分级装置,除可完成粉碎外,还具有分级功能,分选式离心剪切,无筛无网,粉状颗粒可任意调节,物料粉碎后,采用负压缩输送之排料阀出口。旋风脉冲吸尘粉碎机组是制药、食品、化工工业的理想机械。

| 型号 | 主要结构尺寸 | 生产能力 | 进料粒度 | 出料目数 | 主轴转速 | 机器重量 | 总功率 | |||||
|---|---|---|---|---|---|---|---|---|---|---|---|---|
| L | W1 | W2 | H1 | H2 | H3 | Kg/H | mm | mesh | rpm | Kg | KW | |
| MR-20 | 1200 | 600 | 1600 | 2320 | 1250 | 650 | 20-100 | <10 | 20-120 | 4600 | 500 | 6.25 |
| MR-30 | 1250 | 600 | 1700 | 2540 | 1460 | 650 | 50-300 | <10 | 20-120 | 3800 | 700 | 10.45 |
| MR-40 | 1600 | 700 | 1850 | 2800 | 1600 | 650 | 100-400 | <10 | 20-120 | 3400 | 900 | 14.75 |
| 本公司可按用户特殊要求定制生产。 | ||||||||||||

MR系列旋风脉冲粉碎机组(分体式)适用于制药、化工、食品、磁性材料、粉体等行业,是粉碎、吸尘及连续出料为一体的新一代粉碎设备。...
MR系列自除尘粉碎机适用于制药、化工、食品等行业,是微粉碎加工前道工序的配套设备,是粉碎与吸尘为一体的新一代粗粉碎设备。...
MR系列旋风脉冲吸尘粉碎机组(连体式)具有技术性能稳定、产量高、外观美观,适用范围广等特点。...
万能粉碎机主要适用于医药、化工、农药、食品及粮食等行业,用途极为广泛。能粉碎设备结构简单、坚固、运转平稳、粉碎效果良好。...
MR系列微粉碎机由主机、辅机、电控箱三个部分组成,具有风选式、无筛、无网、出料粒度大小均匀等多种性能,生产过程连续进行。...
MR系列高效粉碎机采用混合喷粉法原理设计研制而成,广泛适用于制药、食品、化工等行业的物料粉碎。...
MR系列粗碎机适用于制药、化工、食品等行业,是微粉碎加工前道工序的配套设备,不受物料粘度、硬度、软度及纤维等限制,对所有物料都能起到较好的粉碎作用。...
MR系列中草药/香辛料专用粉碎机组由锤片主机、超微主机、旋风分离器、脉冲除尘箱等部分组成,具有无筛、无网、出料粒度均匀等多种性能。...
MR系列针式研磨粉碎机的粉碎系统极其紧凑,可帮助客户降低投资成本,减少空间需求以及降低清洁和维护成本。...
锤式粉碎机利用固定盘与活动锤片间的相对运动,使物料在机腔内被冲击而快速获得粉碎。粉碎研磨磨粉后的物料经离心力的作用,自进入捕集袋,粉尘有吸尘箱布袋过滤回收。...